Honda
Shop In-Stock
ATVs
Shop In-Stock
Motorcycles
Shop In-Stock
Scooters
Shop In-Stock
Utility Vehicles
Shop In-Stock
11212 E. Kellogg Street
,
Wichita, KS
67207
316-358-7577
(text us)
Toggle navigation
316-358-7577
Wichita, KS
Home
Honda Models
Manufacturer Models
Inventory
All Inventory In Stock
New Inventory In Stock
Pre-Owned Inventory
Value Your Trade-In
Request a Model
Schedule a Test Ride
OEM Promotions
Pre-Qualify Now
Get Financing Now
Sale
Parts
Parts Department
Request Parts
Parts Viewer
Service
Service Department
Schedule Service
Warranty & Recall Look-Up
Financing
Get Financing Now
Pre-Qualify Now
Payment Calculator
About
Our Dealership
Our Team
Social Media
Reviews
Customer Survey
Newsletter Sign-Up
Employment
Events
Locations
Location & Hours
Contact
Parts Viewer
Home
›
Parts
›
Parts Viewer
Search by :
Part / Desc
VIN
Honda
*Please enter at least 3 characters
SEARCH
Manufacturer
Honda
ATVs
2007
TRX500FPE 2A
VIEW WISH LIST
Select a Section
Show/Hide
AIR CLEANER
ALTERNATOR
BATTERY
BODY COVER
CAM CHAIN
CAMSHAFT
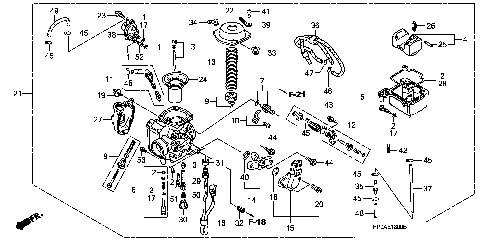
CARBURETOR
CARRIER
CLUTCH
COOLING FAN
CRANKCASE
CRANKSHAFT@PISTON
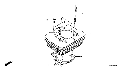
CYLINDER
CYLINDER HEAD
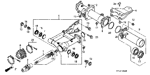
FINAL DRIVEN GEAR
FINAL SHAFT
FRAME
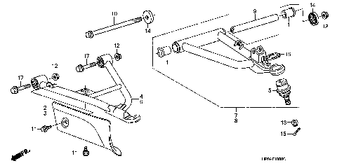
FRONT ARM
FRONT BRAKE CALIPER
FRONT BRAKE MASTER
FRONT CRANKCASE COVER
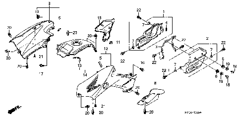
FRONT FENDER
FRONT FINAL GEAR
FRONT SHOCK ABSORBER
FRONT WHEEL
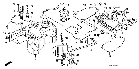
FUEL TANK
GASKET KIT A
GASKET KIT B
GEARSHIFT DRUM
HANDLE LEVERS@SWITCHES
HANDLEBAR
HEADLIGHT
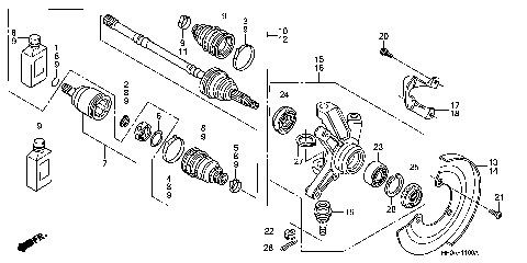
KNUCKLE
LABELS
MARKS
METER
MUFFLER
OIL COOLER
OIL PUMP
REAR BRAKE PANEL
REAR CRANKCASE COVER
REAR FENDER
REAR SHOCK ABSORBER
REAR WHEEL
RECOIL STARTER
SEAT
STARTER GEAR
STARTER MOTOR
STEERING SHAFT (POWER
STEP@PEDAL
SWINGARM
TAILLIGHT
TIE ROD
TOOLS
TRANSMISSION
WIRE HARNESS
AIR CLEANER
ALTERNATOR
BATTERY
BODY COVER
CAM CHAIN
CAMSHAFT
CARBURETOR
CARRIER
CLUTCH
COOLING FAN
CRANKCASE
CRANKSHAFT@PISTON
CYLINDER
CYLINDER HEAD
FINAL DRIVEN GEAR
FINAL SHAFT
FRAME
FRONT ARM
FRONT BRAKE CALIPER
FRONT BRAKE MASTER
FRONT CRANKCASE COVER
FRONT FENDER
FRONT FINAL GEAR
FRONT SHOCK ABSORBER
FRONT WHEEL
FUEL TANK
GASKET KIT A
GASKET KIT B
GEARSHIFT DRUM
HANDLE LEVERS@SWITCHES
HANDLEBAR
HEADLIGHT
KNUCKLE
LABELS
MARKS
METER
MUFFLER
OIL COOLER
OIL PUMP
REAR BRAKE PANEL
REAR CRANKCASE COVER
REAR FENDER
REAR SHOCK ABSORBER
REAR WHEEL
RECOIL STARTER
SEAT
STARTER GEAR
STARTER MOTOR
STEERING SHAFT (POWER
STEP@PEDAL
SWINGARM
TAILLIGHT
TIE ROD
TOOLS
TRANSMISSION
WIRE HARNESS
VIEW WISH LIST