Honda
Shop In-Stock
ATVs
Shop In-Stock
Motorcycles
Shop In-Stock
Scooters
Shop In-Stock
Utility Vehicles
Shop In-Stock
11212 E. Kellogg Street
,
Wichita, KS
67207
316-358-7577
(text us)
Toggle navigation
316-358-7577
Wichita, KS
Home
Honda Models
Manufacturer Models
Inventory
All Inventory In Stock
New Inventory In Stock
Pre-Owned Inventory
Value Your Trade-In
Request a Model
Schedule a Test Ride
OEM Promotions
Pre-Qualify Now
Get Financing Now
Sale
Parts
Parts Department
Request Parts
Parts Viewer
Service
Service Department
Schedule Service
Warranty & Recall Look-Up
Financing
Get Financing Now
Pre-Qualify Now
Payment Calculator
About
Our Dealership
Our Team
Social Media
Reviews
Customer Survey
Newsletter Sign-Up
Employment
Events
Locations
Location & Hours
Contact
Parts Viewer
Home
›
Parts
›
Parts Viewer
Search by :
Part / Desc
VIN
Honda
*Please enter at least 3 characters
SEARCH
Manufacturer
Honda
Motorcycles
2007
VT600CD AC/B
VIEW WISH LIST
Select a Section
Show/Hide
AIR CLEANER
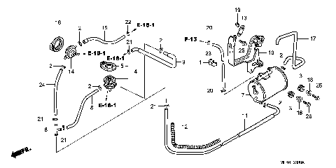
AIR INJECTION CONTROL
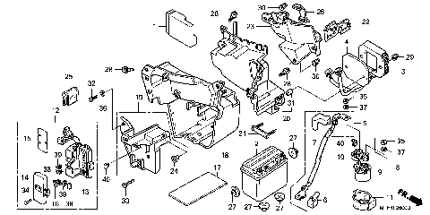
BATTERY@BATTERY BOX
CAM CHAIN
CAMSHAFT
CARBURETOR (A,CM)
CARBURETOR (AC)
CLUTCH
CRANKCASE
CRANKSHAFT
CYLINDER
CYLINDER HEAD COVER
EVAP CANISTER (AC)
FRAME
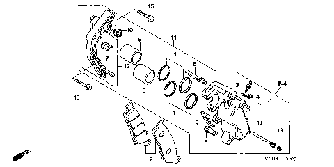
FRONT BRAKE CALIPER
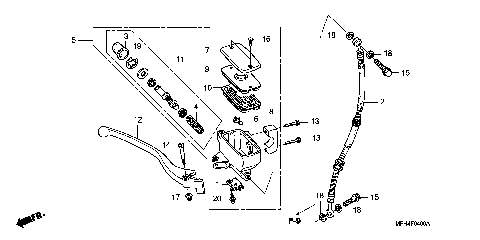
FRONT BRAKE MASTER
FRONT CYLINDER HEAD
FRONT FENDER
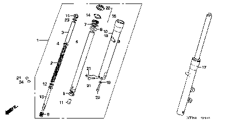
FRONT FORK
FRONT WHEEL
FUEL TANK
GASKET KIT A
GASKET KIT B
GEARSHIFT DRUM
GENERATOR
HANDLE LEVER@SWITCH@CABLE
HANDLEBAR
HEADLIGHT
INTAKE MANIFOLD
LABELS
MARKS
MUFFLER
OIL PUMP
PEDAL
RADIATOR
REAR BRAKE PANEL
REAR CYLINDER HEAD
REAR FENDER
REAR SHOCK ABSORBER
REAR WHEEL
RIGHT CRANKCASE COVER
SEAT
SIDE COVER
SPEEDOMETER
STAND
STARTING CLUTCH
STARTING MOTOR
STEERING STEM
STEP
SWINGARM
TAILLIGHT
TOOLS
TRANSMISSION
TURN SIGNAL
WATER PIPE
WATER PUMP
WIRE HARNESS
AIR CLEANER
AIR INJECTION CONTROL
BATTERY@BATTERY BOX
CAM CHAIN
CAMSHAFT
CARBURETOR (A,CM)
CARBURETOR (AC)
CLUTCH
CRANKCASE
CRANKSHAFT
CYLINDER
CYLINDER HEAD COVER
EVAP CANISTER (AC)
FRAME
FRONT BRAKE CALIPER
FRONT BRAKE MASTER
FRONT CYLINDER HEAD
FRONT FENDER
FRONT FORK
FRONT WHEEL
FUEL TANK
GASKET KIT A
GASKET KIT B
GEARSHIFT DRUM
GENERATOR
HANDLE LEVER@SWITCH@CABLE
HANDLEBAR
HEADLIGHT
INTAKE MANIFOLD
LABELS
MARKS
MUFFLER
OIL PUMP
PEDAL
RADIATOR
REAR BRAKE PANEL
REAR CYLINDER HEAD
REAR FENDER
REAR SHOCK ABSORBER
REAR WHEEL
RIGHT CRANKCASE COVER
SEAT
SIDE COVER
SPEEDOMETER
STAND
STARTING CLUTCH
STARTING MOTOR
STEERING STEM
STEP
SWINGARM
TAILLIGHT
TOOLS
TRANSMISSION
TURN SIGNAL
WATER PIPE
WATER PUMP
WIRE HARNESS
VIEW WISH LIST