Honda
Shop In-Stock
ATVs
Shop In-Stock
Motorcycles
Shop In-Stock
Scooters
Shop In-Stock
Utility Vehicles
Shop In-Stock
11212 E. Kellogg Street
,
Wichita, KS
67207
316-358-7577
(text us)
Toggle navigation
316-358-7577
Wichita, KS
Home
Honda Models
Manufacturer Models
Inventory
All Inventory In Stock
New Inventory In Stock
Pre-Owned Inventory
Value Your Trade-In
Request a Model
Schedule a Test Ride
OEM Promotions
Pre-Qualify Now
Get Financing Now
Sale
Parts
Parts Department
Request Parts
Parts Viewer
Service
Service Department
Schedule Service
Warranty & Recall Look-Up
Financing
Get Financing Now
Pre-Qualify Now
Payment Calculator
About
Our Dealership
Our Team
Social Media
Reviews
Customer Survey
Newsletter Sign-Up
Employment
Events
Locations
Location & Hours
Contact
Parts Viewer
Home
›
Parts
›
Parts Viewer
Search by :
Part / Desc
VIN
Honda
*Please enter at least 3 characters
SEARCH
Manufacturer
Honda
Motorcycles
2009
CBR600RA AC
VIEW WISH LIST
Select a Section
Show/Hide
ABS CONTROL UNIT
AIR CLEANER
AIR INJECTION CONTROL
ALTERNATOR
BATTERY
BRAKE PEDAL@CHANGE PEDAL
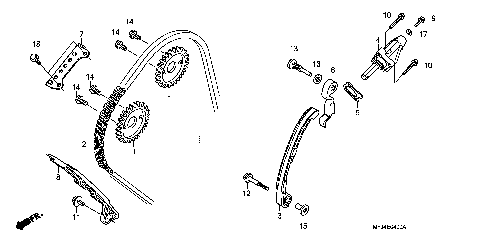
CAM CHAIN@TENSIONER
CAMSHAFT@VALVE
CLUTCH
CRANKCASE
CRANKSHAFT@PISTON
CYLINDER HEAD
CYLINDER HEAD COVER
EVAP CANISTER (CBR600RA)
FRAME
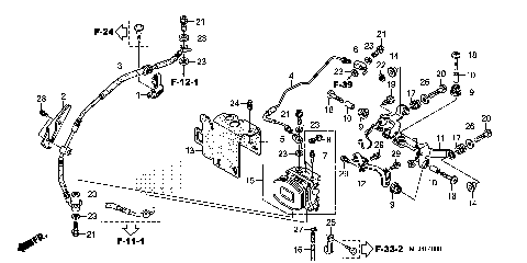
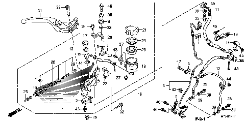
FRONT BRAKE CALIPER (2)
FRONT BRAKE MASTER
FRONT FENDER
FRONT FORK
FRONT POWER UNIT
FRONT VALVE UNIT
FRONT WHEEL
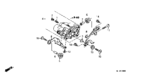
FUEL INJECTOR
FUEL TANK
GASKET KIT A
GASKET KIT B
GEARSHIFT DRUM
GENERATOR COVER
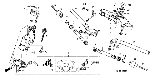
HANDLE LEVER@SWITCH@CABLE
HANDLEBAR@TOP BRIDGE
HEADLIGHT
LABEL
LOWER COWL (L.) (2)
LOWER COWL (R.) (1)
MARK@STRIPE (4)
MUFFLER
OIL PAN@OIL PUMP
RADIATOR
REAR BRAKE CALIPER
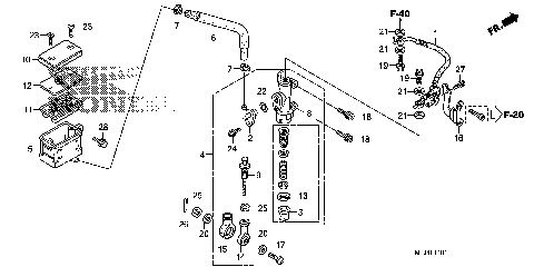
REAR BRAKE MASTER
REAR COWL
REAR FENDER
REAR POWER UNIT
REAR SHOCK ABSORBER
REAR VALVE UNIT
REAR WHEEL
RIGHT CRANKCASE COVER (2)
SEAT
SERVO MOTOR
SPEEDOMETER
STAND
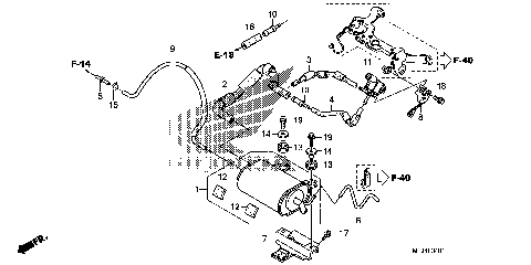
STARTER MOTOR
STARTING CLUTCH
STEERING DAMPER
STEERING STEM
STEP
SUB HARNESS
SWINGARM
TAILLIGHT
THERMOSTAT
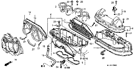
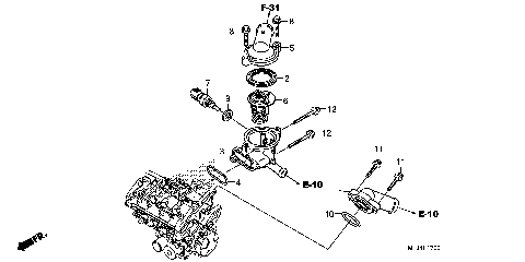
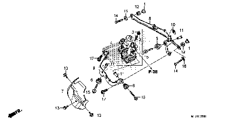
THROTTLE BODY
TOOLS
TRANSMISSION
TURN SIGNAL (2)
UPPER COWL
WATER PUMP
WIRE HARNESS
ABS CONTROL UNIT
AIR CLEANER
AIR INJECTION CONTROL
ALTERNATOR
BATTERY
BRAKE PEDAL@CHANGE PEDAL
CAM CHAIN@TENSIONER
CAMSHAFT@VALVE
CLUTCH
CRANKCASE
CRANKSHAFT@PISTON
CYLINDER HEAD
CYLINDER HEAD COVER
EVAP CANISTER (CBR600RA)
FRAME
FRONT BRAKE CALIPER (2)
FRONT BRAKE MASTER
FRONT FENDER
FRONT FORK
FRONT POWER UNIT
FRONT VALVE UNIT
FRONT WHEEL
FUEL INJECTOR
FUEL TANK
GASKET KIT A
GASKET KIT B
GEARSHIFT DRUM
GENERATOR COVER
HANDLE LEVER@SWITCH@CABLE
HANDLEBAR@TOP BRIDGE
HEADLIGHT
LABEL
LOWER COWL (L.) (2)
LOWER COWL (R.) (1)
MARK@STRIPE (4)
MUFFLER
OIL PAN@OIL PUMP
RADIATOR
REAR BRAKE CALIPER
REAR BRAKE MASTER
REAR COWL
REAR FENDER
REAR POWER UNIT
REAR SHOCK ABSORBER
REAR VALVE UNIT
REAR WHEEL
RIGHT CRANKCASE COVER (2)
SEAT
SERVO MOTOR
SPEEDOMETER
STAND
STARTER MOTOR
STARTING CLUTCH
STEERING DAMPER
STEERING STEM
STEP
SUB HARNESS
SWINGARM
TAILLIGHT
THERMOSTAT
THROTTLE BODY
TOOLS
TRANSMISSION
TURN SIGNAL (2)
UPPER COWL
WATER PUMP
WIRE HARNESS
VIEW WISH LIST